会员登录|免费注册|忘记密码|管理入口 返回主站||保存桌面|手机浏览|联系方式|购物车
企业会员第2年

西安卡莫环保科技有限公司  
加关注0

环保技术研发、技术咨询;环保设备、机械设备、五金交电、汽车零部件研发、设计、销售;环保工程、机电工程设计、施工;建筑劳务分包;普通货物道路运输;货物及技术的进出口业务经营(法律法规规定限制或禁止进出口经营的货物及技术除外)。(依法须经批准的项目,经相关部门批准后方可开展经营活动)

搜索
新闻中心
联系方式


请先 登录注册 后查看


站内搜索
 
荣誉资质
  • 暂未上传
友情链接
  • 暂无链接
首页 > 欢迎光临
公司介绍
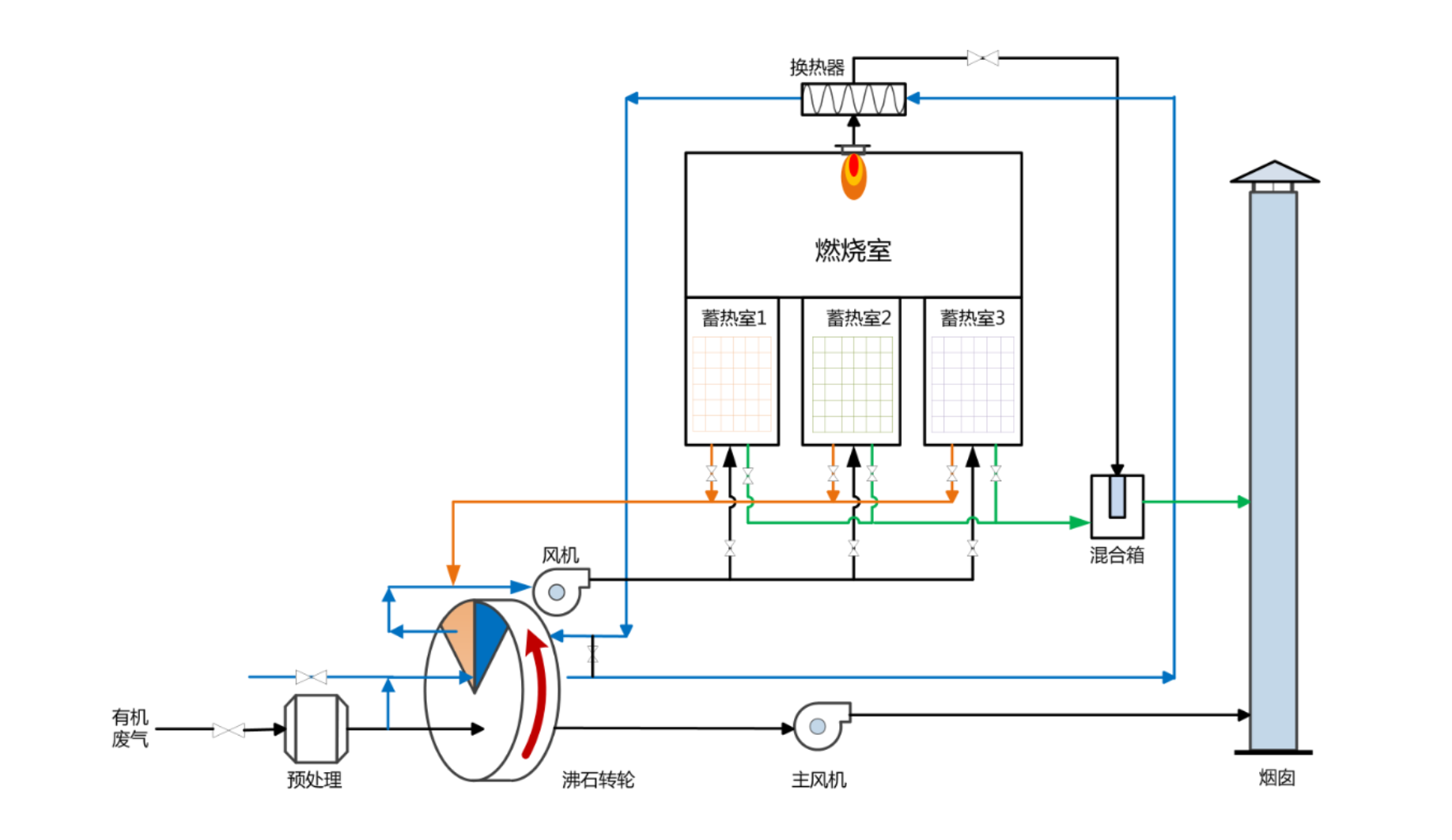
西安卡莫环保科技有限公司位于陕西省西安市雁塔区丈八二路绿地中心。随着社会的不断发展和进步,人们对环境的保护和要求也越来越高,公司成立伊始,专注于煤化工、制药、精细化工等废水处理、净水给水、固废处理、废气处理等环境领域业务及非标设备加工等,以改善生态环境为发展领域的高科技环保企业;          公司在技术上不断积极创新,就秉承科技创造绿色环境,科技造福人类的精神,公司成立了技术开发中心,现有有机废气处理设备,工业废气处理设备,RTO废气处理, 活性炭吸脱附,催化燃烧等设备,公司与多所高等院校和环保研究机构建立起长期合作关系,技术由高级工程师及名誉顾问把关,西安卡莫环保科技有限公司将拿出最优秀、最适合的工程解决方案。        卡莫环保坚持技术研发之路,以绿水青山就是金山银山为理念,先后在分子筛吸附浓缩转轮技术(沸石转轮)、催化燃烧设备(RTO)、RTO废气处理等领域取得突破,为各个领域提供一站式解决方案。        未来,卡莫环保将继续秉承“重质量,讲信用,重合同,诚实守信”为原则,为我国的大气污染治理,消除环境雾霾污染,提高人民生活的空气质... [详细介绍]
推荐产品
工程案例